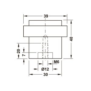
CHẶN CỬA GẮN SÀN ĐEN HAFELE 937.56.403