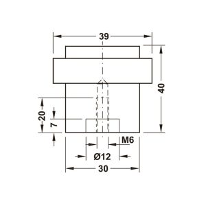
CHẶN CỬA GẮN SÀN HAFELE 937.55.100